Home
≫
Research, Specimens and Materials
≫
Specimens & Database
≫ Yoshimoto Collection
Yoshimoto Collection Homepage
≫
Database
≫
Stuffed List(Caprinae)
≫
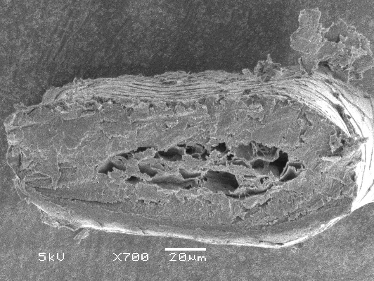
Muskox
≫ Hair SEM
Scientific Name
Ovibos moschatus
English Name
Muskox
Museum No.
NSMT-M 32311
< Return to Database